Alet Askı Yay Dengeleyici, 22kg~30kg, Sıfır Gravite Üreticisi

Chengmao Elektrikli Alet Dengeleyici / Üretim hattında kullanılan montaj makineleri ve araçları satan profesyonel üretici.

Menü

En İyi Satış

Alet Askı Yay Dengeleyici, 22kg~30kg, Sıfır Gravite | Montaj Makineleri ve Araçları Üreticisi - Chengmao

Chengmao Tools Industrial Co., Ltd., 1977'den beri, Tayvan merkezli bir Alet Askı Yay Dengeleyici, 22kg~30kg, Sıfır Gravite tedarikçisidir.

ISO-9001:2015, CE sertifikalı, ödüllü ve patentli tasarım montaj makineleri ve araçları, otomatik vida besleme makineleri, otomatik tekerlek bağlama makineleri, yay dengeleyicileri, hava hortumu dengeleyicileri, hava kesiciler ve sıkıştırıcılar, tork reaksiyon kolları vb. dahil.

Chengmao, gelişmiş teknoloji ve 46 yıllık deneyimiyle dünya çapındaki müşterilere montaj makineleri ve araçları sağlamaktadır. Chengmao, her müşterinin ihtiyaçlarının karşılandığından emin olur.


Alet Askı Yay Dengeleyici, 22kg~30kg, Sıfır Yerçekiminde

SB-30K

Yerçekimsiz Dengeleyici, SEALS SB-30K (kapasite 22.0~30.0 kg) aletler, kablolar, çeneler ve aparatlar gibi ağır cihazlar için güvenilir, ergonomik ve kompakt bir seçenektir. Kalıplanmış alüminyum döküm muhafaza, pürüzsüz, estetik ve dayanıklı bir çalışma deneyimi sunar. Spiral kablo tamburu sayesinde, alet yerçekimi gibi belirli bir yükseklikte kalabilir ve bir sonraki işlem için erişilebilir durumda olabilir. Bu arada, 360 derece dönebilen kurulum kanca, kablo dolanmasını önlemek için alet yay dengeleyicinin serbestçe dönmesini sağlar. Yüklenen nesnelerin ağırlığına uyacak şekilde kolayca allen anahtarıyla gerilimi ayarlayabilirsiniz. SEALS SB-30K, solucan dişlisi ile ayarlanır ve böylece küçük ağırlık ayarı yapılabilir. Ayrıca, çalışma alanını düzenli tutar ve aracın çarpışmasını ve düşmesini önler.
 
Güvenlik pimi tamburda kullanılarak, yay plakası kırıldığında, dış kasa durdurucusuyla çarpışarak yay tamburunun hemen durmasını sağlar. Aynı zamanda sağlam alüminyum döküm gövde, tambur ve dövme kanca ile "SEALS Yay Dengeleyici", güvenilir bir güvenlik sunar.

Takma Ad

Elektrikli Alet Dengeleyici

Avantajlar

Tasarruf Sağlayan: Küçükten büyüğe doğru sarmal çapları düzenlenerek spiral tipinde tasarlanmıştır.Zayıf ila güçlü yay gerilimi kontrol kuvveti ile, gerilimi dengeli bir şekilde çıkararak operatörün yük olmadan işlemi gerçekleştirmesine olanak sağlayan tutma kuvvetini sağlar.Ayrıca, aracın herhangi bir yükseklikte duraklamasına ve hareketsiz durumda kalmasına izin verir.Bu şekilde, kullanıcı herhangi bir araç yükü olmadan işlemi gerçekleştirebilir;böylece, aletlerin ve ağır nesnelerin uzun süre tutulmasından kaynaklanan kas gerilimi ve yorgunluğu önlenir.

Verimli: Kullanıcı, aracı istediği yere kolayca sürükleyebilir ve daha kolay erişim sağlamak için durdurabilir, böylece daha düzgün ve daha verimli bir işlem gerçekleştirebilir.

Verimli: Operatör aleti kolaylıkla kullanabilir;bu şekilde, aynı anda nesneyi alırken aleti indirip tekrar alarak zaman kaybetmeyi ve emek harcamayı önleyerek.

Maliyet etkin: Sert mekanizma tasarımı ürünü daha dayanıklı hale getirirken bakım maliyetini düşürür.Bu şekilde, asılı olan aracın çarpma ve düşme nedeniyle kayıp olasılığını önemli ölçüde azaltabilir.

Yüksek Kalite: SEALS yay dengeleyici, endüstriyel uygulamalar için dayanıklı, pürüzsüz ve uzun ömürlü özellikler sunan Japon yay malzemesini kullanmaktadır.

Özellikler

1. 0.5 kg ile 120 kg arasında kaldırma yükü sağlar ve 14 farklı yük aralığı seçeneği sunar.
2. Kurulum Kanca ile monte edildiğinde 360 derece dönebilir.
3. Alüminyum döküm gövde (BesideS SB-1.5K plastik gövdelidir).
4. Orijinal montaj konumunun başarısız olmasını önlemek için anti-düşme çelik tel montaj deliği ile birlikte sağlanır.
5. Hızlı kurulum.
6. Kaldırma Kanca ve Kurulum Kanca'nın kapalı tipi.
7. Yayın kırılması durumunda aletin düşmesini önlemek için araç anti-düşme cihazı sağlanır (yalnızca SB-9K, SB-15K, SB-22K, SB-30K, SB-40K, SB-50K, SB-60K, SB-70K, SB-90K, SB-105K, SB-120K için).
8. Dayanıklı yay.

Fonksiyon

Yay Dengeleyicileri / Yük Dengeleyicileri / Araç Dengeleyicileri, operatörü el aletlerinin ağırlığından kurtarmak için özel olarak tasarlanmıştır.Alet en az baskı ile aşağı çekilebilir, herhangi bir gerilme veya yorgunluk olmadan.Aletin kullanımı çok kolaydır çünkü işletme için gereken yük ve basınç, Yay Dengeleri / Yük Dengeleri / Alet Dengeleri mekanizmasında kendiliğinden dengelemektedir.İşlem yerçekimi kuvvetinden bağımsızdır.

Dayanıklı İnşaat

Ana gövde ve kapak plakası, darbeye karşı maksimum direnç ve taşıma kolaylığı için yüksek çekme dayanıklı hafif Alüminyum Alaşımdan imal edilir. Üst destek kanca montajı ve Alt askı kanca montajları, maksimum güvenlik sağlamak için dövme çelikten imal edilir. Kablo olarak standart esnek tel halat kullanılır, böylece iyi esneklik ve düşme güvenliği sağlanır.

Konik Kablo Tamburu

Benzersiz kablo tamburu tasarımı, optimum tork birikiminin sürekli olduğu yay dengeleyicilerin orta dönüşlerine uyum sağlar. Bu tasarım özelliği, kablo seyahatinin tüm uzunluğu boyunca düzgün ve hatta kablo gerilimleri sağlar.

Harici Gerilim Ayarı

Harici gerilim ayarı, zeminden kolayca erişilebilir. Gerilim, sertleştirilmiş bir solucan dişli sistem aracılığıyla tam gereksinime göre ayarlanabilir. Özel bir araç gerekmez.

Üst Kanca Üzerinde Dönme

360° dönme izin verir. Yay Dengeleyicileri / Yük Dengeleyicileri / Araç Dengeleyicileri'nin en kolay kablo akışı için konumlandırılmasını sağlar. Kablo ömrünü uzatır.

Manuel Tambur Kilidi

Askılı araçlar, manuel tambur kilidi kullanılarak kolayca değiştirilebilir. Araç veya kablo değiştirildikten sonra - TAM YÜK TAKILIYKEN, manuel tambur kilidi serbest bırakılabilir - TAM YÜK TAKMADAN MANUEL TAMBUR KİLİDİNİ SERBEST BIRAKMAYIN. Bu iş, Yay Dengeleri / Yük Dengeleri / Araç Dengeleri kablosundaki gerilimi kaldırmadan iş sahasında dakikalar içinde yapılabilir. Bu kolaylık, değişimi güvenli, basit ve hızlı hale getirirken, maliyetli duraksamaları azaltır.

Teknik Özellikler

  • Kapasite: 22 - 30 kg
  • Ağırlık: 8,3 kg
  • Seyahat: 1.5 m
  • İp Seçeneği: Kablo
  • İp Çapı: 4.8 mm
  • Adet/Karton: 2 adet
  • Brüt Ağırlık/Karton: 19,5 kg
  • CUFT: 1,7
ModelKapasiteAğırlıkSeyahatİp Seçeneğiİp ÇapıAdet (Koli)Brüt Ağırlık/KoliHacim (Koli)
SB-1.5K0.5-1.5 kg0.73 kg1.3 mKablo2.0 mm20 adet15.6 kg1.9
SB-3K1.5-3 kg1.73 kg1.3 mKablo3.2 mm10 adet18.3 kg1.7
SB-5K3-5 kg1.82 kg1.3 mKablo3.2 mm10 adet19.2 kg1.7
SB-7K(S)5-7 kg1.85 kg1.3 mKablo3.2 mm10 adet19.5 kg1.7
SB-9K5-9 kg3.59 kg1.3 mKablo4.0 mm4 adet15.4 kg1.9
SB-15K9-15 kg3.61 kg1.3 mKablo4.0 mm4 adet15.6 kg1.9
SB-22K15-22 kg7.70 kg1.5 mKablo4.8 mm2 adet17.5 kg1.7
SB-30K22-30 kg8.30 kg1.5 mKablo4.8 mm2 adet19.5 kg1.7
SB-40K30-40 kg9.70 kg1.5 mKablo4.8 mm1 adet11.0 kg0.9
SB-50K40-50 kg10.1 kg1.5 mKablo4.8 mm1 adet11.4 kg0.9
SB-60K50-60 kg11.1 kg1.5 mKablo4.8 mm1 adet12.4 kg0.9
SB-70K60-70 kg11.4 kg1.5 mKablo4.8 mm1 adet12.7 kg0.9
SB-90K70-90 kg22.2 kg2 mKablo4.8 mm1 adet25.4 kg2.1
SB-105K90-105 kg23.75 kg2 mKablo4.8 mm1 adet27.0 kg2.1
SB-120K105-120 kg27.4 kg2 mKablo4.8 mm1 adet30.6 kg2.1
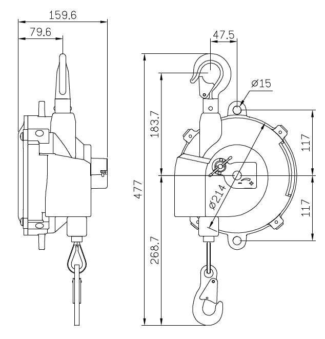
Boyutlar
Galeri
Filmler

SB-22K Alet Askı Yaylı Dengesi - Tanıtım Videosu



İlgili Ürünler
  • Alet Askı Yay Dengeleyici, 15kg~22kg, Sıfır Ağırlıkta - Alet Askı Yay Dengeleyici(Model:SB-22K)(Kapasite:15kg-22kg)
    Alet Askı Yay Dengeleyici, 15kg~22kg, Sıfır Ağırlıkta
    SB-22K

    Yerçekimsiz Dengeleyici, SEALS SB-22K (kapasite 15.0~22.0 kg) aletler, kablolar, çeneler ve aparatlar gibi ağır cihazlar için güvenilir, ergonomik ve kompakt bir seçenektir. Kalıplanmış alüminyum döküm muhafaza, pürüzsüz, estetik ve dayanıklı bir çalışma deneyimi sunar. Spiral kablo tamburu sayesinde, alet yerçekimi gibi belirli bir yükseklikte kalabilir ve bir sonraki işlem için erişilebilir durumda olabilir. Bu arada, 360 derece dönebilen kurulum kanca, kablo dolanmasını önlemek için alet yay dengeleyicinin serbestçe dönmesini sağlar. Yüklenen nesnelerin ağırlığına uyacak şekilde kolayca allen anahtarıyla gerilimi ayarlayabilirsiniz. SEALS SB-22K, solucan dişlisi ile ayarlanır ve böylece küçük ağırlık ayarı yapılabilir. Ayrıca, çalışma alanını düzenli tutar ve aracın çarpışmasını ve düşmesini önler.   Güvenlik pimi tamburda kullanılarak, yay plakası kırıldığında, dış kasa durdurucusuyla çarpışarak yay tamburunun hemen durmasını sağlar. Aynı zamanda sağlam alüminyum döküm gövde, tambur ve dövme kanca ile "SEALS Yay Dengeleyici", güvenilir bir güvenlik sunar.


  • Yay Dengeleyici, 30kg~40kg, Sıfır Yerçekiminde - Alet Askı Yay Dengeleyici (Model:SB-40K)(Kapasite:30kg-40kg)
    Yay Dengeleyici, 30kg~40kg, Sıfır Yerçekiminde
    SB-40K

    SEALS Sıfır Yerçekimi Yaylı Dengeleyici SB-40K, Takım Dengeleyici, çalışma güvenliğini artırmak amacıyla yüksek ağırlıkta yükleme için sağlam bir alüminyum yer çekimi döküm kasasına sahiptir. Kablo tamburunun spiral tasarımı sayesinde, aleti istediğiniz yükseklikte askıya alabilir ve bir sonraki işlem için çekebilir veya itebilirsiniz. Bahar tamburu, yay plakası kırıldığında hemen durur. Bunun nedeni, davulda bulunan emniyet pimi dış kasa tıkaç ile çarpışacak şekilde dışarı fırlayacaktır. Bu arada, 360 derece dönebilen kurulum kanca, kablo dolanmasını önlemek için alet yay dengeleyicinin serbestçe dönmesini sağlar. SEALS SB-40K, solucan dişlisi ile ayarlanır ve küçük ağırlık ayarlamasına izin verir.   "Mühürler Spiral Yay Dengeleyici", operatörün işi daha kolay, daha güvenli ve daha verimli bir şekilde gerçekleştirmesini sağlayan ergonomik gereksinimi karşılayan ekipmanı askıya alan uygun maliyetli bir araçtır. Ayrıca, çalışma alanını düzenli tutar ve aletin çarpmasını ve düşmesini önler.



Dosyalar İndir
  • Yay Dengesi Katalogu
    Yay Dengesi Katalogu

    SEALS'ın yay dengeleyici tam serisi, müşterilere farklı kapasite aralıkları için birçok seçenek sunar. Tüm alet dengeleyici serisi, Tayvan'daki Chengmao Tools tarafından üretilmiştir.